JEKKO

SPX424

  • 허용중량 2400kg
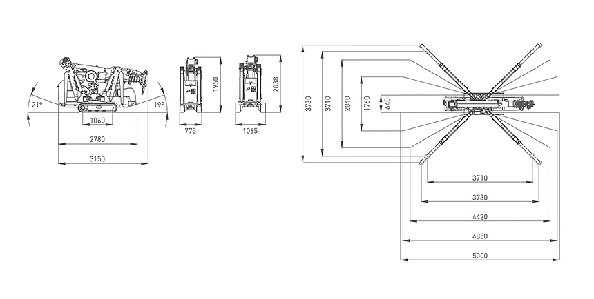
  • 치수 3163 x 776 x 1954mm
  • 최대높이 15m
  • 최대길이 11.9m
  • 조종 무선 리모컨

기술정보

제원
  • 중량 2400(+JIB 110)kg
  • 카운터 웨이트 200kg
  • 치수 3163 x 776 x 1954mm
  • 최대안전하중 2400kg
최대작업반경
  • 높이 8.5(+JIB 12)m
  • 거리 7.6(+JIB 11.9)m
  • 형식 5단 5각 실린더 and 체인시스템
  • 길이 2.6~8.5m
  • Fly jib 2.4m
기복 장치
  • 기복 각도 0° / 75°
선회 장치
  • 선회 각도 360°
  • 선회 속도 1.5rpm
아우트리거
  • 최소 인출폭 -
  • 최대 인출폭 3730 (전·후) x 3730 (좌·우)
  • 압력 아우트리거 당 1850kg
주행 장치
  • 주행 속도 0~0.72km/h
  • 등판 능력 20°
  • 궤도 접지 (궤도당) 1060 x 295mm
  • 접지압 0.55kg/㎠
호이스트
  • 권상속도 21~31.8m/min
엔진
  • 모델 KUBOTA D722-E3B
  • 연료 전기배터리 / 24V 240Ah
  • 전기 모터 24V-3F 4,0kW 5,5HP
조종 형식
  • 리모컨 무선
안전 장치
  • 권과방지기, 하중지시계, 유압안전밸브, 하중계 와이어라쳇, 삼색등, 경고부저,
    수평계, EMO스위치, 전도 방지
옵션
  • non-marking 타이어

윈치&낙하 단계

Main Winch
800kg
(Single line)
70m - Φ 7mm 26-31.8 m/min
최대 허용 중량 와이어(선) 미터
2400kg 3 -20m
1600kg 2 -32m
800kg 1 -65m

작업 제원표

치수

붐 길이

JEKKO - SPX424
구분 높이(m)
4.85 5.85 6.85 7.85 8.53
작업 반경
(m)
1 2000 2000
2 1600 1380 1230 1150 1100
3 1380 1220 1170 1080 970
4 1240 1180 1080 970 880
5 890 810 790 740
6 640 620 590
7 500 480
7.7 420

(단위 : kg)